Skip to content Skip to sidebar Skip to footer

E46 Cooling System Diy

E46 Cooling System Replacement Diy Stage 2 Youtube

E46 Cooling System Replacement Diy Stage 2 Youtube

E46 cooling system diy. 1- Write-up on coolant flush by Function7. Although the E46 gets a lot of hate for the cooling system most of the components are actually well engineered with no issues. Replacing the Coolant System on the E46 - YouTube.

Keep your mouth closed while youre doing this unless you want a little coolant as a refreshing drink. How long in terms of Kilometers miles should a fully filled cooling system of a bmw 318i e46 last. I am doing this DIY based on just the opposite - cooling system is a known weak point and should be replaced as a preventive measure to prevent potential overheating and related issues.

323i 323is 325i 325is 328i 328is M3. I will need to order parts soon so I am still looking for feedback on suppliers. Besides to get the right results about E46 Expansion Tank Diy you must enter the right keyword into the searching box correctly.

Using a 32mm wrench and a fan pulley holding tool remove the fan. AA Stage I superchargerstr8pimpi Meyle HD FCAs w Powerflex CABs Bilstein shocks Meyle HD Rtabs Angel Eyes Clear CornersMarkers w LEDs LED tails ZHP rims Akebono pads AUX input DIY E46 Merit Badges. There is another step to remove the engine block coolant drain plug on the exhaust side of the engine and drain the coolant in the blockbut since I was doing a flush I.

Follow the recommendation in this DIY by using a socket with an extension and then pound the crap out of it from the bottom up. This kit will replace the dangerous failure prone composite water pump impeller with a top quality Graf unit. Disconnect the AUC sensor 3.

Another big pain in the a. If you are the owner of a BMW E46 3 Series then it is required to be aware of the causes of coolant leaks and how to efficiently deal with the problem. Replacing the Coolant System on the E46.

6 Place 3 gallon pail underneath radiator. Features an all aluminum CSF two-pass radiator and 88C thermostat for extra cooling system efficiency this kit features other OE components needed for servicing the cooling system on your E36.

Bmw E46 Cooling System Overhaul

Bmw E46 Cooling System Overhaul

Diy Bmw 320i E46 Cooling System Thermostat Temp Sensors Coolant Hoses 2019 Update Pt 2 Steemit

Diy Bmw 320i E46 Cooling System Thermostat Temp Sensors Coolant Hoses 2019 Update Pt 2 Steemit

Bmw E46 Cooling System Overhaul

Bmw E46 Cooling System Overhaul

Bmw E46 Cooling System Overhaul

Bmw E46 Cooling System Overhaul

Bimmerforums The Ultimate Bmw Forum

Bimmerforums The Ultimate Bmw Forum

Diy Complete Cooling System Overhaul Pump Hoses Tank E46 Fanatics Forum

Diy Complete Cooling System Overhaul Pump Hoses Tank E46 Fanatics Forum

Bmw E46 Cooling System Full Diy With Belt And Spark Plugs Youtube

Bmw E46 Cooling System Full Diy With Belt And Spark Plugs Youtube

Bmw E46 Cooling System Overhaul

Bmw E46 Cooling System Overhaul

Your Bmw E46 And Lexus Is Resource Mango S Bmw E46 Definitive Cooling System Diy Replacement Guide

Your Bmw E46 And Lexus Is Resource Mango S Bmw E46 Definitive Cooling System Diy Replacement Guide

Performance Bmw Parts E46 Cooling System Kit Adds Durability Eeuroparts Com Blog

Performance Bmw Parts E46 Cooling System Kit Adds Durability Eeuroparts Com Blog

E46 M3 Water Pump Diy Ft Thermostat Sensor Fan Clutch Coolant Flush Buildjournal

E46 M3 Water Pump Diy Ft Thermostat Sensor Fan Clutch Coolant Flush Buildjournal

Bmw Cooling System Overhaul Kit With Water Pump E46coolkit Fcp Euro

Bmw Cooling System Overhaul Kit With Water Pump E46coolkit Fcp Euro

Your Bmw E46 And Lexus Is Resource Mango S Bmw E46 Definitive Cooling System Diy Replacement Guide

Your Bmw E46 And Lexus Is Resource Mango S Bmw E46 Definitive Cooling System Diy Replacement Guide

E46 Coolant Return Hose Leak E46 Fanatics Forum

E46 Coolant Return Hose Leak E46 Fanatics Forum

Bmw E46 Cooling System Overhaul

Bmw E46 Cooling System Overhaul

Waterpump Thermostat Replacement On Bmw E46 M3 Youtube

Waterpump Thermostat Replacement On Bmw E46 M3 Youtube

Bmw E46 Cooling System Overhaul

Bmw E46 Cooling System Overhaul

For Bmw E46 E90 Cooling System Overhaul Kit Water Pump Coolant Hoses Antifreeze Ebay

For Bmw E46 E90 Cooling System Overhaul Kit Water Pump Coolant Hoses Antifreeze Ebay

Filling And Bleeding Coolant Diy Bmw E46 Generic Doityourself

Filling And Bleeding Coolant Diy Bmw E46 Generic Doityourself

Diy The Trick On How To Fill The M52 M54 Coolant Bimmerfest Bmw Forum

Diy The Trick On How To Fill The M52 M54 Coolant Bimmerfest Bmw Forum

Bmw Comprehensive Cooling System Hose Kit E46 11531436408kit Fcp Euro

Bmw Comprehensive Cooling System Hose Kit E46 11531436408kit Fcp Euro

Bmw E36 3 Series Cooling System Flush Diy Autoevolution

Bmw E36 3 Series Cooling System Flush Diy Autoevolution

Bmw E46 Coolant Flush Bmw 325i 2001 2005 Bmw 325xi 2001 2005 Bmw 325ci 2001 2006 Bmw 325ti 2001 2004 Pelican Parts Technical Article

Bmw E46 Coolant Flush Bmw 325i 2001 2005 Bmw 325xi 2001 2005 Bmw 325ci 2001 2006 Bmw 325ti 2001 2004 Pelican Parts Technical Article

1

1

Kit De Mangueira O Ring Para Bmw Sistema De Resfriamento Pecas Para Bmw E46 316 318 320 323 325 328 M52 M54 S54 Argola O 323i 325i 328i 330i 23 Pecas Aliexpress Automoveis E Motos

Kit De Mangueira O Ring Para Bmw Sistema De Resfriamento Pecas Para Bmw E46 316 318 320 323 325 328 M52 M54 S54 Argola O 323i 325i 328i 330i 23 Pecas Aliexpress Automoveis E Motos

Diy Ecs Tuning Level Ii Cooling System Refresh 3 Cooling Hoses Step By Step E46 Fanatics Forum

Diy Ecs Tuning Level Ii Cooling System Refresh 3 Cooling Hoses Step By Step E46 Fanatics Forum

Performance Bmw Parts E46 Cooling System Kit Adds Durability Eeuroparts Com Blog

Performance Bmw Parts E46 Cooling System Kit Adds Durability Eeuroparts Com Blog

Bmw E46 Cooling System Overhaul

Bmw E46 Cooling System Overhaul

Bmw E46 Radiator Replacement Bmw 325i 2001 2005 Bmw 325xi 2001 2005 Bmw 325ci 2001 2006 Bmw 325ti 2001 2004 Pelican Parts Technical Article

Bmw E46 Radiator Replacement Bmw 325i 2001 2005 Bmw 325xi 2001 2005 Bmw 325ci 2001 2006 Bmw 325ti 2001 2004 Pelican Parts Technical Article

My Car My Life Bmw N42 N46 Engine Cover Coolant Leak Fix Diy

My Car My Life Bmw N42 N46 Engine Cover Coolant Leak Fix Diy

Gtv Investment E38 E39 E46 Sedan Wagon Cooling System Water Hose 7785714 11537785714 New Amazon Co Uk Diy Tools

Gtv Investment E38 E39 E46 Sedan Wagon Cooling System Water Hose 7785714 11537785714 New Amazon Co Uk Diy Tools

How To Change The Egr Thermostat On E46 Bmw 3 Series Diy Bmwcoop

How To Change The Egr Thermostat On E46 Bmw 3 Series Diy Bmwcoop

Diy Brake Cooling Kit E46 Racer

Diy Brake Cooling Kit E46 Racer

E46 M3 Coolant Change Diy

E46 M3 Coolant Change Diy

Easy And Fast E46 M3 Coolant Flush Youtube

Easy And Fast E46 M3 Coolant Flush Youtube

My E46 Expansion Tank Mini Diy Bimmerfest Bmw Forum

My E46 Expansion Tank Mini Diy Bimmerfest Bmw Forum

Bmw E46 Cooling System Overhaul Kit Oe Supplier 376716271kt2 Fcp Euro

Bmw E46 Cooling System Overhaul Kit Oe Supplier 376716271kt2 Fcp Euro

N15 Design E46 M3 Electric Fan Mount Diy Buildjournal

N15 Design E46 M3 Electric Fan Mount Diy Buildjournal

Genuine Bmw E46 Coupe Estate Saloon Cooling System Water Hose Oem 11531436407 Ebay

Genuine Bmw E46 Coupe Estate Saloon Cooling System Water Hose Oem 11531436407 Ebay

Bmw330ci Net Complete Cooling System Overhaul Do It Yourself

Bmw330ci Net Complete Cooling System Overhaul Do It Yourself

E46 M3 Coolant Change Diy

E46 M3 Coolant Change Diy

Replacement O Rings For E46 Cooling System O Ring Rings Cooling System

Replacement O Rings For E46 Cooling System O Ring Rings Cooling System

Impee S Diy Radiator Flush Coolant Drain Bmw E46

Impee S Diy Radiator Flush Coolant Drain Bmw E46

Bmw E46 Cooling System Overhaul

Bmw E46 Cooling System Overhaul

Bmw How To Bleed The Cooling System The Gumption Trap

Bmw How To Bleed The Cooling System The Gumption Trap

Diy Temp Sensor Coolant Leak Repair Page 2 Bimmerfest Bmw Forum

Diy Temp Sensor Coolant Leak Repair Page 2 Bimmerfest Bmw Forum

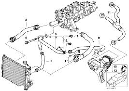
E46 Cooling System Diagram Bmw Cooling System Diagram

E46 Cooling System Diagram Bmw Cooling System Diagram

Genuine Bmw E46 Compact Radiator Cooling System Water Hose Oem 17127510952 Ebay

Genuine Bmw E46 Compact Radiator Cooling System Water Hose Oem 17127510952 Ebay

1

1

October 8 2015.

Keep your mouth closed while youre doing this unless you want a little coolant as a refreshing drink. Followup from the Pelican Staff. Totally overhaul the cooling system in your E46 BMW with new radiator hoses OEM Behr expansion tank FAE fan switch along with many other critical components to keep your BMW at the optimum running temperature. The problem however is the weakest link will cause the entire system to fail working and overheat the engine in a matter of minutes. In our Ultimate E46 M3 Maintenance Guide we recommend doing the cooling refresh as part of the 100k Refresh maintenance. Disconnect the electric fan 4. As luck would have it my BMW E46 popped a check engine light right before inspection time. Error Code P0128 which means the thermostat has failed. 2- In the above thread there is also a link to this thread by TRACK-CZAR with tons of good pictures.


So if you dont get any results please check your internet network. In our Ultimate E46 M3 Maintenance Guide we recommend doing the cooling refresh as part of the 100k Refresh maintenance. Sunroof resurrection CCV OFHG VCG w VANOS seals DISA Cooling Refresh I steering giubo window regs Magnetic Infandibulator see wiki. That is the first I have heard of the E46 cooling system being solid. Mishimoto has been in the business of making high-quality all-aluminum cooling system parts and weve assembled them into an easy to install kit that will keep your BMW reliable even under severe abuse. Disconnect the AUC sensor 3. Keep your mouth closed while youre doing this unless you want a little coolant as a refreshing drink.

Post a Comment for "E46 Cooling System Diy"